
Venus is almost the same size, mass and density as Earth. So it should be generating heat in its interior (by the decay of radioactive elements) at much the same rate as the Earth does. On Earth, one of the main ways in which this heat leaks out is via volcanic eruptions. During an average year, at least 50 volcanoes erupt.
But despite decades of looking, we’ve not seen clear signs of volcanic eruptions on Venus – until now. A new study by geophysicist Robert Herrick of the University of Alaska, Fairbanks, which he reported this week at the Lunar & Planetary Science Conference in Houston and published in the journal Science, has at last caught one of the planet’s volcanoes in the act.
It’s not straightforward to study Venus’s surface because it has a dense atmosphere including an unbroken cloud layer at a height of 45-65km that is opaque to most wavelengths of radiation, including visible light. The only way to get a detailed view of the ground from above the clouds is by radar directed downward from an orbiting spacecraft.

A technique known as aperture synthesis is used to build up an image of the surface. This combines the varying strength of the radar echos bounced back from the ground – including the time delay between transmission and receipt, plus slight shifts in frequency corresponding to whether the spacecraft is getting closer to or further from the origin of a particular echo. The resulting image looks rather like a black and white photograph, except that the brighter areas usually correspond to rougher surfaces and the darker areas to smoother surfaces.

Nasa’s Magellan probe orbited Venus from August 1990 to October 1994 and used this sort of radar technique to map the planet’s surface with a spatial resolution of about a hundred metres at best. It showed that over 80% of the surface is covered by lava flows, but just how recently the youngest of them were erupted, and whether any eruptions continue today, remained a mystery for the next three decades.
There have been various hints of activity provided by spacecraft peering into, and sometimes through, the clouds – suggesting that the rocks there are so young that their minerals have not yet been altered by reaction with the acidic atmosphere and so are freshly erupted lava. Thermal anomalies that could correspond to active lava flows have also been detected, as have temporary local hiccups in the atmospheric sulphur dioxide concentration – another potential sign of volcanic eruptions. But none of these was fully convincing.
Volcanic vent spotted
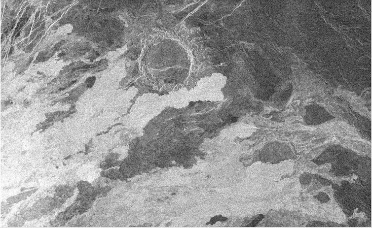
The new study now seems to have settled the matter, by revealing changes on the surface that really have to be a result of volcanic activity. The authors spent hundreds of hours comparing Magellan radar images of parts of Venus that had been imaged more than once to look for new or changed features on the surface.
They concentrated on the most promising volcanic regions, and eventually spotted an example where details on an image recorded in October 1991 are different to those on an image from February of the same year. The changes they saw are best explained by a volcanic eruption within that time window.
Using radar images to verify surface changes is tricky because the appearance of even an unchanging surface can differ according to surface slopes and direction of view. However, the researchers performed simulations to verify that the observed changes could not result from these things.

The paired images show an initially near circular volcanic crater about 1.5km across that between February and October doubled in size by extending eastwards. It also became shallower, and the authors suggest that the crater is a volcanic vent that partially collapsed and was largely filled by fresh lava during October.
There are probably also new lava flows extending several kilometres down slope, northwards of the crater, which either flooded over the crater rim or leaked out of an associated fissure. The active crater sits high on Maat Mons, one of Venus’s largest volcanoes whose summit is 5km above the surrounding plains.

Future missions
Most planetary scientists already expected Venus to be volcanically active. The focus of attention will now surely turn to how often, and at how many sites, are eruptions occurring on Venus. The biggest surprise in all this is that it took so long for someone to find the evidence for surface changes that had been lurking in the Magellan data for 30 years.
The likelihood of finding and studying ongoing volcanism is one of the main drivers for Nasa’s Veritas mission and Esa’s EnVision mission (both approved in 2021). Each will carry a better imaging radar than Magellan. EnVision is intended to reach its orbit about Venus in 2034. Originally Veritas should have been there several years beforehand, but there have been delays to the schedule.
With Nasa’s DaVinci mission likely to arrive year or two ahead of them, providing optical images from below the clouds during its descent, we are in for an exciting time about ten years from now.
Read more: Venus has very few volcanoes – weirdly, this might be why it's as hot as hell

David Rothery is Professor of Planetary Geosciences at the Open University. He is co-leader of the European Space Agency's Mercury Surface and Composition Working Group, and a Co-Investigator on MIXS (Mercury Imaging X-ray Spectrometer) that is now on its way to Mercury on board the European Space Agency's Mercury orbiter BepiColombo. He has received funding from the UK Space Agency and the Science & Technology Facilities Council for work related to Mercury and BepiColombo, and from the European Commission under its Horizon 2020 programme for work on planetary geological mapping (776276 Planmap). He is author of Planet Mercury - from Pale Pink Dot to Dynamic World (Springer, 2015), Moons: A Very Short Introduction (Oxford University Press, 2015) and Planets: A Very Short Introduction (Oxford University Press, 2010). He is Educator on the Open University's free learning Badged Open Course (BOC) on Moons and its equivalent FutureLearn Moons MOOC, and chair of the Open University's level 2 course on Planetary Science and the Search for Life.
This article was originally published on The Conversation. Read the original article.